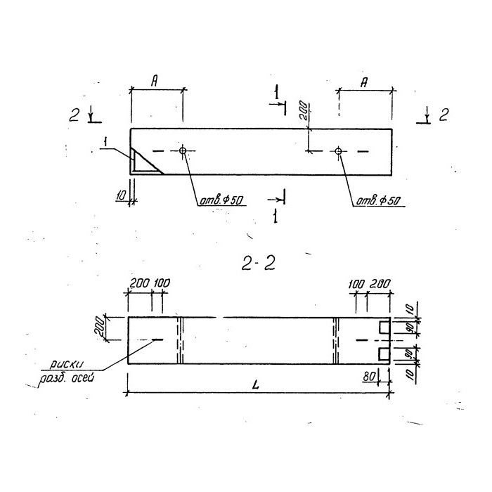
Колонна железобетонная 2КНО 48-48-3-40-00 из серии 1.020.1-4 предназначена для использования в строительстве как несущий элемент. Изготовлена из высококачественного железобетона, обладает высокой прочностью и устойчивостью к внешним воздействиям. Идеально подходит для возведения зданий и сооружений различного назначения, где требуется надежная опора и поддержка.









